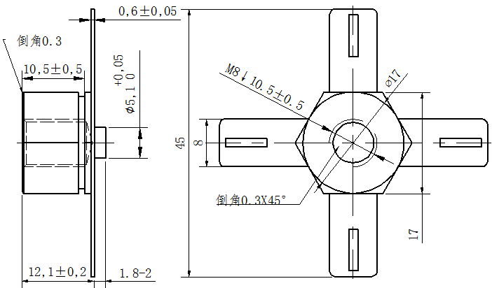
M8✽11.5Φ18-A-F02
- detail


| Nut specifications | Copper pillar size (including sheet thickness) | Cap size | tooth | Copper specifications | Remarks |
M8*11.5*Ø18-A- F02 | Ø18*12.1 | Ø5*1.8 | M8*10. 5 | 0.6*8*45*45 (Grand Cross) |
|

Copper nut catalog (Zhonggang202004).pdf
url:http://www.zgjidian.com/en/product/653.html
tags:
Prev:None
Next:M6✽10-30
Next:M6✽10-30






